Renesas低抖動晶振,XFN336212.500000I,通訊設備6G晶振,進口晶振,Renesas瑞薩電子晶振,XF系列晶振,編碼為:XFN336212.500000I,頻率為:212.5MHz,外形尺寸:3.2x2.5mm,HCSL輸出差分晶振,8腳貼片晶振,有源晶振,石英晶振,石英晶體振蕩器,3.3V電壓。XF器件是超低相位噪聲石英基PLL振蕩器,支持大范圍的頻率和輸出接口類型。這些設備被設計為操作在三種不同的電源與幾種針形配置,以及兩個操作溫度范圍。XF設備可以被編程以產生從15MHz到2100MHz的輸出頻率,其分辨率可低至1Hz的精度。XF系列3225石英晶振設備的配置能力允許樣品和大型生產訂單的快速交付時間。應用于:移動通訊設備,無線網絡,藍牙模塊,機頂盒,物聯網,光端機,FOM齒輪箱,數據中心,10G/40G/100G/400G以太網等應用。
Renesas低抖動晶振,XFN336212.500000I,通訊設備6G晶振參數表
Parameter
TestCondition
Minimum
Typical
Maximum
Units
OutputFrequencyRange
LVDS,LVPECL,CML.
15
—
2100
MHz
HCSL.
212.500
FrequencyStability
Temperature=-40°Cto+85°C.
—
—
±25
ppm
Temperature=-40°Cto+105°C.
—
—
±50
ppm
FrequencyTolerance(25°C)
Temperature=25°C.
—
—
±15
ppm
Aging(1styear)
TA=25°C.
—
—
±3
Aging(10years)
TA=25°C.
—
—
±10
OutputLoad
LVDS.
Differential.
—
100
—
Ω
LVPECL.
VDD-2.0V.
—
50
—
HCSL.
ToGND.
—
50
—
Start-upTime
Output valid time after VDD meets minimum specified level.
—
5
—
ms
OutputRiseTime
LVDS.
20% – 80%, 156.25MHz
—
303
400
ps
LVPECL.
—
292
400
HCSL.
—
310
400
CML
—
304
400
OutputFallTime
LVDS.
80% – 20%, 156.25MHz
—
282
400
ps
LVPECL.
—
278
400
HCSL.
—
288
400
CML
—
281
400
OutputClockDutyCycle
LVDS.
156.25MHz
48
—
52
%
LVPECL.
156.25MHz
48
—
52
HCSL.
156.25MHz
48
—
52
CML
156.25MHz
48
—
52
OutputEnable/DisableTime
—
—
—
1
—
ms
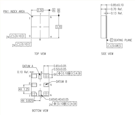
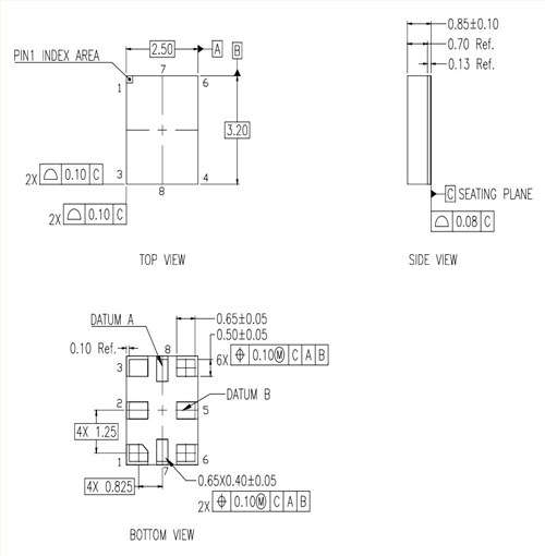
Renesas低抖動晶振,XFN336212.500000I,通訊設備6G晶振,尺寸圖
Renesas有源晶振,XFN236156.250000I差分晶振,HCSL輸出振蕩器
產品特點:
輸出類型:LVDS、LVPECL、CML
頻率范圍:15MHz至2100MHz
輸出類型:HCSL差分晶振
頻率范圍:15MHz至725MHz
電源電壓選項:1.8V、2.5V或3.3V
相位抖動(12kHz至20MHz):典型值為120fs
程序包選項:5.0×3.2毫米,3.2×2.5毫米,2.5×2.0毫米
工作溫度和頻率穩定性:-40°C至+85°C,±25ppm,-40°C至+105°C,±50ppm
| 編碼 | 進口晶振 | 描述 | 系列 | 頻率 | 輸出 |
| XFN516100.000000I | Renesas晶振 | 100.000000 MHZ 1.8VDC HCSL 5032 | XFN | 100 MHz | HCSL |
| XFL526125.000000I | Renesas晶振 | 125.000000 MHZ 2.5VDC LVDS 5032 | XFL | 125 MHz | LVDS |
| XFL235837.500000K | Renesas晶振 | DFN 2.00X2.50X1.00 MM, 0.40MM PI | XFL | 837.5 MHz | LVDS |
| XFN336100.000000I | Renesas晶振 | 100.000000 MHZ 3.3VDC HCSL 3225 | XFN | 100 MHz | HCSL |
| XFL336156.250000I | Renesas晶振 | 156.250000 MHZ 3.3VDC LVDS 3225 | XFL | 156.25 MHz | LVDS |
| XFN236100.000000I | Renesas晶振 | DFN 2.00X2.50X1.00 MM, 0.40MM PI | XFN | 100 MHz | HCSL |
| XFL516100.000000I | Renesas晶振 | XTAL OSC XO 100.0000MHZ LVDS SMD | XFL | 100 MHz | LVDS |
| XFL536125.000000I | Renesas晶振 | XTAL OSC XO 125.0000MHZ LVDS SMD | XFL | 125 MHz | LVDS |
| XFL336032.768000I | Renesas晶振 | XTAL OSC XO 32.7680MHZ LVDS SMD | XFL | 32.768 MHz | LVDS |
| XFL316125.000000I | Renesas晶振 | XTAL OSC XO 125.0000MHZ LVDS SMD | XFL | 125 MHz | LVDS |
| XFL336333.330000I | Renesas晶振 | XTAL OSC XO 333.3300MHZ LVDS SMD | XFL | 333.33 MHz | LVDS |
| XFL336032.000000I | Renesas晶振 | XTAL OSC XO 32.0000MHZ LVDS SMD | XFL | 32 MHz | LVDS |
| XFL526032.000000I | Renesas晶振 | XTAL OSC XO 32.0000MHZ LVDS SMD | XFL | 32 MHz | LVDS |
| XFL336333.333333I | Renesas晶振 | XTAL OSC XO 333.333333MHZ LVDS | XFL | 333.333333 MHz | LVDS |
| XFL336125.000000I | Renesas晶振 | XTAL OSC XO 125.0000MHZ LVDS SMD | XFL | 125 MHz | LVDS |
| XFL516500.000000I | Renesas晶振 | XTAL OSC XO 500.0000MHZ LVDS SMD | XFL | 500 MHz | LVDS |
| XFL316300.000000I | Renesas晶振 | XTAL OSC XO 300.0000MHZ LVDS SMD | XFL | 300 MHz | LVDS |
| XFL336148.425824I | Renesas晶振 | XTAL OSC XO 148.425824MHZ LVDS | XFL | 148.425824 MHz | LVDS |
| XFL336161.132812I | Renesas晶振 | XTAL OSC XO 161.132812MHZ LVDS | XFL | 161.132812 MHz | LVDS |
| XFL536026.000000I | Renesas晶振 | XTAL OSC XO 26.0000MHZ LVDS SMD | XFL | 26 MHz | LVDS |
| XFL536100.000000I | Renesas晶振 | XTAL OSC XO 100.0000MHZ LVDS SMD | XFL | 100 MHz | LVDS |
| XFL336096.000000I | Renesas晶振 | XTAL OSC XO 96.0000MHZ LVDS SMD | XFL | 96 MHz | LVDS |
| XFL336048.000000I | Renesas晶振 | XTAL OSC XO 48.0000MHZ LVDS SMD | XFL | 48 MHz | LVDS |
| XFL336333.333000I | Renesas晶振 | XTAL OSC XO 333.3330MHZ LVDS SMD | XFL | 333.333 MHz | LVDS |
| XFL336450.000000I | Renesas晶振 | XTAL OSC XO 450.0000MHZ LVDS SMD | XFL | 450 MHz | LVDS |
| XFL316270.000000I | Renesas晶振 | XTAL OSC XO 270.0000MHZ LVDS SMD | XFL | 270 MHz | LVDS |
| XFL336025.000000I | Renesas晶振 | XTAL OSC XO 25.0000MHZ LVDS SMD | XFL | 25 MHz | LVDS |
| XFL236644.531250I | Renesas晶振 | DFN 2.00X2.50X1.00 MM, 0.40MM PI | XFL | 644.53125 MHz | LVDS |
| XFL236830.078125I | Renesas晶振 | DFN 2.00X2.50X1.00 MM, 0.40MM PI | XFL | 830.078125 MHz | LVDS |
| XFL226156.250000I | Renesas晶振 | DFN 2.00X2.50X1.00 MM, 0.40MM PI | XFL | 156.25 MHz | LVDS |
| XFL236156.250000I | Renesas晶振 | DFN 2.00X2.50X1.00 MM, 0.40MM PI | XFL | 156.25 MHz | LVDS |
| XFN236156.250000I | Renesas晶振 | DFN 2.00X2.50X1.00 MM, 0.40MM PI | XFN | 156.25 MHz | HCSL |
| XFN216100.000000I | 貼片晶振 | DFN 2.00X2.50X1.00 MM, 0.40MM PI | XFN | 100 MHz | HCSL |
| XFL236108.000000I | Renesas晶振 | DFN 2.00X2.50X1.00 MM, 0.40MM PI | XFL | 108 MHz | LVDS |
| XFL216156.250000I | Renesas晶振 | DFN 2.00X2.50X1.00 MM, 0.40MM PI | XFL | 156.25 MHz | LVDS |
| XFL236148.500000I | Renesas晶振 | DFN 2.00X2.50X1.00 MM, 0.40MM PI | XFL | 148.5 MHz | LVDS |
| XFN216161.132812I | Renesas晶振 | DFN 2.00X2.50X1.00 MM, 0.40MM PI | XFN | 161.132812 MHz | HCSL |
| XFN236025.000000I | Renesas晶振 | XTAL OSC XO 25.0000MHZ HCSL SMD | XFN | 25 MHz | HCSL |
| XFL226026.000000I | Renesas晶振 | XTAL OSC XO 26.0000MHZ LVDS SMD | XFL | 26 MHz | LVDS |
| XFL216625.000000I | Renesas晶振 | XTAL OSC XO 625.0000MHZ LVDS SMD | XFL | 625 MHz | LVDS |
| XFL216397.770000I | Renesas晶振 | XTAL OSC XO 397.7700MHZ LVDS SMD | XFL | 397.77 MHz | LVDS |
| XFL216078.125000I | Renesas晶振 | XTAL OSC XO 78.1250MHZ LVDS SMD | XFL | 78.125 MHz | LVDS |
| XFL536040.000000I | Renesas晶振 | XTAL OSC XO 40.0000MHZ LVDS SMD | XFL | 40 MHz | LVDS |
| XFL516156.250000I | Renesas晶振 | XTAL OSC XO 156.2500MHZ LVDS SMD | XFL | 156.25 MHz | LVDS |
| XFL536200.000000I | Renesas晶振 | XTAL OSC XO 200.0000MHZ LVDS SMD | XFL | 200 MHz | LVDS |
| XFL525100.000000I | Renesas晶振 | XTAL OSC XO 100.0000MHZ LVDS SMD | XFL | 100 MHz | LVDS |
| XFL516245.000000I | Renesas晶振 | XTAL OSC XO 245.0000MHZ LVDS SMD | XFL | 245 MHz | LVDS |
| XFL336165.000000I | Renesas晶振 | XTAL OSC XO 165.0000MHZ LVDS SMD | XFL | 165 MHz | LVDS |
| XFL536156.250000I | Renesas晶振 | XTAL OSC XO 156.2500MHZ LVDS SMD | XFL | 156.25 MHz | LVDS |
| XFL526100.000000I | Renesas晶振 | XTAL OSC XO 100.0000MHZ LVDS SMD | XFL | 100 MHz | LVDS |
| XFL336161.132813I | Renesas晶振 | XTAL OSC XO 161.132813MHZ LVDS | XFL | 161.132813 MHz | LVDS |
| XFL326300.000000I | Renesas晶振 | XTAL OSC XO 300.0000MHZ LVDS SMD | XFL | 300 MHz | LVDS |
| XFL326161.132812I | Renesas晶振 | XTAL OSC XO 161.132812MHZ LVDS | XFL | 161.132812 MHz | LVDS |
| XFL536153.600000I | Renesas晶振 | XTAL OSC XO 153.6000MHZ LVDS SMD | XFL | 153.6 MHz | LVDS |
| XFN336212.500000I | Renesas晶振 | XTAL OSC XO 212.5000MHZ HCSL SMD | XFN | 212.5 MHz | HCSL |
| XFL516161.132812I | Renesas晶振 | XTAL OSC XO 161.132812MHZ LVDS | XFL | 161.132812 MHz | LVDS |
| XFL336425.000000I | Renesas晶振 | XTAL OSC XO 425.0000MHZ LVDS SMD | XFL | 425 MHz | LVDS |
| XFL336780.000000I | Renesas晶振 | XTAL OSC XO 780.0000MHZ LVDS SMD | XFL | 780 MHz | LVDS |
| XFL326148.351648I | Renesas晶振 | XTAL OSC XO 148.351648MHZ LVDS | XFL | 148.351648 MHz | LVDS |
| XFL516135.000000I | Renesas晶振 | XTAL OSC XO 135.0000MHZ LVDS SMD | XFL | 135 MHz | LVDS |
| XFL336400.000000I | Renesas晶振 | XTAL OSC XO 400.0000MHZ LVDS SMD | XFL | 400 MHz | LVDS |
| XFL316050.000000I | Renesas晶振 | XTAL OSC XO 50.0000MHZ LVDS SMD | XFL | 50 MHz | LVDS |
| XFL326148.500000I | Renesas晶振 | XTAL OSC XO 148.5000MHZ LVDS SMD | XFL | 148.5 MHz | LVDS |
| XFL336603.229000I | Renesas晶振 | XTAL OSC XO 603.2290MHZ LVDS SMD | XFL | 603.229 MHz | LVDS |
| XFL336033.300000I | Renesas晶振 | XTAL OSC XO 33.3000MHZ LVDS SMD | XFL | 33.3 MHz | LVDS |
| XFL336380.000000I | Renesas晶振 | XTAL OSC XO 380.0000MHZ LVDS SMD | XFL | 380 MHz | LVDS |
| XFL536148.500000I | Renesas晶振 | XTAL OSC XO 148.5000MHZ LVDS SMD | XFL | 148.5 MHz | LVDS |
| XFL316080.000000I | Renesas晶振 | XTAL OSC XO 80.0000MHZ LVDS SMD | XFL | 80 MHz | LVDS |
| XFL316100.000000I | Renesas晶振 | XTAL OSC XO 100.0000MHZ LVDS SMD | XFL | 100 MHz | LVDS |
| XFL326080.000000I | Renesas晶振 | XTAL OSC XO 80.0000MHZ LVDS SMD | XFL | 80 MHz | LVDS |
| XFL316400.000000I | Renesas晶振 | XTAL OSC XO 400.0000MHZ LVDS SMD | XFL | 400 MHz | LVDS |
| XFL536025.012500I | Renesas晶振 | XTAL OSC XO 25.0125MHZ LVDS SMD | XFL | 25.0125 MHz | LVDS |
| XFL526066.666667I | Renesas晶振 | XTAL OSC XO 66.666667MHZ LVDS | XFL | 66.666667 MHz | LVDS |
| XFL516333.333000I | Renesas晶振 | XTAL OSC XO 333.3330MHZ LVDS SMD | XFL | 333.333 MHz | LVDS |
| XFL326156.250000I | Renesas晶振 | XTAL OSC XO 156.2500MHZ LVDS SMD | XFL | 156.25 MHz | LVDS |
| XFL336150.000000I | Renesas晶振 | XTAL OSC XO 150.0000MHZ LVDS SMD | XFL | 150 MHz | LVDS |




愛普生晶振,石英晶體振蕩器,VG-4231CE晶振,VG-4231CE 27.0000M-PSCM0晶振
AXE3225P‐33‐50-150.000MHz,AXTAL有源差分晶振,150MHZ,3225mm
SMD100.3C(E/D)-50.000MHz,7050mm,GED低電壓晶振,50MHZ振蕩器
7050mm,100MHZ,SMD100.3C(E/D)-100.000MHz,GED有源振蕩器,SMD100.3系列
C3292-16.0000,C3292,16MHz,7050mm,Crystek高性能晶振
CWX815-64.0M,ConnorWinfield低抖動晶振,64MHz,CMOS輸出晶振
C3390-18.432,Crystek數字視頻晶振,18.432MHz,7050mm振蕩器
M12531JM12 12.000000,12MHz,3225mm,MtronPTI藍牙應用晶振
FC3BAEBDI40.0-T1,3225mm,FOX無源晶振,耐高溫晶振
EC2600TS-66.000M TR,Ecliptek晶振廠家,7050mm,LVCMOS振蕩器


