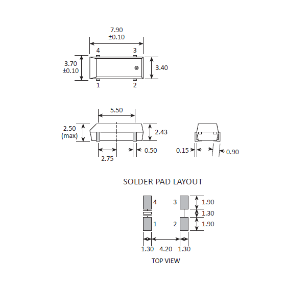
頻率:32.768KHZ
尺寸:7.9*3.7*2.5mm
32.768K時鐘晶體具有小型,薄型,輕型的8038晶振表面音叉型晶體諧振器,產品具有優良的耐熱性,耐環境特性,可發揮晶振優良的電氣特性,符合RoHS規定,滿足無鉛焊接的高溫回流溫度曲線要求,金屬外殼的封裝使得產品在封裝時能發揮比陶瓷諧振器外殼更好的耐沖擊性.
Golledge晶振,石英水晶振子,GSX-200晶體.小型表面貼片晶振型,是標準的石英晶體諧振器,適用于寬溫范圍的電子數碼產品,家電電器及MP3,MP4,播放器,單片機等領域,在電子數碼產品,以及家電相關電器領域里面發揮優良的電氣特性,滿足無鉛焊接的回流溫度曲線要求.
高利奇晶振憑借著對互聯網和電子商務的承諾,我們能夠支持我們客戶最復雜和最苛刻的需求使我們與其他供應商分開的是我們人民的經驗和能力.我們的石英晶振生產業務團隊是業界最有經驗和最了解的之一,使我們能夠提供我們的客戶友好,專業的建議和一個非常有效的服務.
晶振高精密點膠技術:石英晶振晶片膠點的位置、大小:位置準確度以及膠點大小一致性,通過圖像識別及高精密度數字定位系統的運用、使石英耐高溫晶振晶片的點膠的精度在±0.02mm之內.將被上銀電極的晶片裝在彈簧支架上,點上導電膠,并高溫固化,通過彈簧即可引出電信號.

通電
不建議從中間電位和/或極快速通電,否則會導致有源晶體無法產生振蕩和/或非正常工作.晶振的軟焊溫度條件被設計成可以和普通電子零部件同時作業,但如果是超過規格以上的高溫,則頻率有可能發生較大的變化,因此請避免不必要的高溫度.有關SMD產品的回流焊焊接溫度描述,請參照“表面貼裝型晶體產品的回流焊焊接溫度描述”.
清洗
關于一般清洗液的使用以及超聲波清洗沒有問題,但這僅僅是對單個32.768K石英晶體產品進行試驗所得的結果,因此請根據實際使用狀態進行確認.由于音叉型晶體諧振器的頻率范圍和超聲波清洗機的清洗頻率很近,容易受到共振破壞,因此請盡可能避免超聲波清洗.若要進行超聲波清洗,必須事先根據實際使用狀態進行確認.
自動安裝時的沖擊
自動安裝和真空化引發的沖擊會破壞產品特性并影響這些進口晶體振蕩器.請設置安裝條件以盡可能將沖擊降至最低,并確保在安裝前未對產品特性產生影響.條件改變時,請重新檢查安裝條件.同時,在安裝前后,請確保石英晶振未撞擊機器或其他電路板等.
粘合劑
請勿使用可能導致貼片晶振所用的封裝材料,終端,組件,玻璃材料以及氣相沉積材料等受到腐蝕的膠粘劑.(比如,氯基膠粘劑可能腐蝕一個晶體單元的金屬“蓋”,從而破壞密封質量,降低性能.)
鹵化合物
請勿在鹵素氣體環境下使用無源晶振.即使少量的鹵素氣體,比如在空氣中的氯氣內或封裝所用金屬部件內,都可能產生腐蝕.同時,請勿使用任何會釋放出鹵素氣體的樹脂.
Golledge高利奇晶振集團保持就健康安全環境問題與臨近攝取進行對話.通過在環境控制方面實施優秀的管理實踐,以保護環境和全球運作相關的自然資源.向員工灌輸環境價值觀,在所有的晶振,石英晶振,耐高溫晶振,壓控振蕩器產品和生產過程中應用最佳環境實用技術,為全球可持續發展做出貢獻.
我們將依據技術進步以及對安全、健康和環境科學全新的解釋持續地改進我們的業務.我們將追求在資源利用上的零廢物率.壓電石英晶體元器件、壓電石英晶體、高精度晶振原材料將得到循環和再利用以最大限度地減少對其處理量,同時節約資源.在廢物的滋生地,廢物將被安全、負責地處理掉.
Golledge晶振重視污染預防,消除偏離程序的行為強調通過員工努力這一最可行的方法持續改進我們經營活動的環境績效.與我們的員工一起開創并保持一個免于事故的工作場所.所有的經營組織都將積極應用國際標準以及適用的法律法規.為促進合理有效的公共政策的制訂實施加強戰略聯系.
Golledge石英晶振環保環境與發展對策:實行可持續發展戰略.采取有效措施,防治工業污染.提高能源利用效率,改善能源結構.運用經濟手段保護環境.大力推進科技進步,加強環境科學研究,積極發展環境保護產業.健全環境法規,強化環境管理.加強環境教育,不斷提高環境.