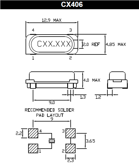
頻率:3.686400~64MHZ
尺寸:12.9*4.85mm
Cardinal晶振,貼片晶振,CX406晶振,Cardinal Components公司除了在晶體,振蕩器,TCXO和VCXO石英基于時鐘產品的商品市場上的競爭對手外,還有哪些產品?在Cardinal Components,Inc.自1986年以來,我們一直向北美,歐洲和亞洲的電子行業供應最優質的石英晶體和振蕩器。在我們的歷史中,我們與許多客戶保持著長期的合作關系。他們回來是因為他們知道,不管挑戰如何,Cardinal都能完成工作!
普通石英晶振,外觀完全使用金屬材料封裝的,產品本身采用全自動石英晶振檢測儀,以及跌落,漏氣等苛刻實驗.產品本身具有高穩定性,高可靠性的石英晶體諧振器,焊接方面支持表面貼裝,外觀采用金屬封裝,具有充分的密封性能,晶振本身能確保其高可靠性,采用編帶包裝,可對應產品應用到自動貼片機告訴安裝,滿足無鉛焊接的高溫回流溫度曲線要求.
注重所使用水晶、研磨砂的選擇等;注重石英晶振研磨用工裝如:游輪的設計及選擇,從而使研磨晶振晶片在平面度、平行度、彎曲度都有很好的控制,最終使可研磨的石英晶振晶片的厚度越來越薄,貼片晶振晶片的頻率越來越高,為公司在高頻石英晶振的研發生產打下堅實基礎,提升了晶振廠家的競爭力,使晶振廠家高頻石英晶振的研發及生產領先于國內其它公司。
|
Cardinal晶振規格 |
單位 |
CX406晶振頻率范圍 |
石英晶振基本條件 |
|
標準頻率 |
f_nom |
3.686400~64MHZ |
標準頻率 |
|
儲存溫度 |
T_stg |
-55°C ~ +125°C |
裸存 |
|
工作溫度 |
T_use |
-10°C ~ +85°C |
標準溫度 |
|
激勵功率 |
DL |
10μW Max. |
推薦:1μW ~ 100μW |
|
頻率公差 |
f_— l |
±15.30,50,100× 10-6 |
+25°C 對于超出標準的規格說明, |
|
頻率溫度特征 |
f_tem |
±10.30,50,100× 10-6/-20°C ~ +70°C |
超出標準的規格請聯系我們. |
|
負載電容 |
CL |
18pF |
超出標準說明,請聯系我們. |
|
串聯電阻(ESR) |
R1 |
如下表所示 |
-40°C +85°C, DL = 100μW |
|
頻率老化 |
f_age |
±5× 10-6 / year Max. |
+25°C,第一年 |
關于沖洗清潔進口晶振由于采用小型、薄型的晶振芯片,以及相對而言頻率與超音波清潔器相近,所以會由于共振而容易受到破壞,因此請不要用超音波清潔器來沖洗晶振。 關于機械性沖擊(1) 從設計角度而言,即使石英晶振從高度75cm處落到硬質木板上三次,按照設計不會發生什么問題,但因落下時的不同條件而異,有可能導致石英芯片的破損。Cardinal晶振,貼片晶振,CX406晶振
在使之落下或對它施加沖擊之時,在使用之前,建議確認一下振蕩檢查等的條件。(2) SMD石英晶振與電阻以及電容器的芯片產品不同,由于在內部對石英晶振晶片進行了密封保護,因此關于在自動安裝時由于沖擊而導致的影響,請在使用之前,懇請貴公司另外進行確認工作。(3) 請盡量避免將本公司的音叉型晶振與機械性振動源(包括超聲波振動源)安裝到同一塊基板上,不得已要安裝到同一塊基板上時,請確保晶振能正常工作。
耐焊性:將晶振加熱包裝材料至+150°C以上會破壞產品特性或損害產品。如需在+150°C以上焊接無源晶振,建議使用SMD晶振產品。在下列回流條件下,對石英晶振產品甚至SMD貼片晶振使用更高溫度,會破壞晶振特性。建議使用下列配置情況的回流條件。安裝這些貼片晶振之前,應檢查焊接溫度和時間。同時,在安裝條件更改的情況下,請再次進行檢查。如果需要焊接的晶振產品在下列配置條件下進行焊接,請聯系我們以獲取耐熱的相關信息。
Cardinal晶振本于‘善盡企業責任、降低普通SMD封裝晶振環境沖擊、提升員工健康’的理念,執行各項環境及職業安全衛生管理工作;落實公司環安衛政策要求使環境暨安全衛生管理成效日益顯著,不僅符合國內環保、勞安法令要求,同時也能達到國際環保、安全衛生標準.2003年通過ISO14001環境管理系統驗證,秉持“污染預防、持續改善”之原則。 Cardinal晶振,貼片晶振,CX406晶振
Cardinal晶振公司自覺遵守有關環境法律、法規,培養員工的環保意識和能力,持續改進49S貼片晶振器環保績效,優先使用環保型材料、設備及施工工藝,做到污染預防,最終創建具有環保、節能、適宜性特征的優質工程。
Cardinal晶振公司嚴格遵守國家有關工程建設法律、法規,不斷提高員工的質量意識和能力,履行合約、信守承諾,堅持開拓創新,不斷提升企業的施工技術素質和四腳49SMD晶振質量管理水平,以科學學嚴密的施工管理和真誠的服務讓業主高度滿意。
