C6系列陶瓷晶振,6035mm兩腳無源晶振,美國PDI貼片晶體,尺寸6.0x3.5mm,頻率范圍8~200MHZ,歐美無源晶振,輕薄型晶振,陶瓷晶振,6035mm貼片晶體,無源貼片晶振,水晶振動子,無源晶振,SMD晶振,貼片陶瓷晶體,無鉛環保晶振,陶瓷諧振器,兩腳貼片晶振,高性能晶振,高品質晶振,低損耗晶振,低功耗晶振,低老化晶振,低成本晶振,移動通信晶振,無線應用晶振,數字視頻晶振,智能家居晶振,藍牙耳機晶振,具有輕薄型低老化低成本的特點。
貼片晶振產品可滿足廣大應用程序的需求,超級適合用于移動通信,無線應用,數字視頻,智能家居,藍牙耳機等應用場景.C6系列陶瓷晶振,6035mm兩腳無源晶振,美國PDI貼片晶體
C6系列陶瓷晶振,6035mm兩腳無源晶振,美國PDI貼片晶體 參數表
| PARAMETER |
MINI- MUM |
MAXI- MUM |
UNITS | |||||
| Center Frequency | 8 | 200 | MHz | |||||
| Maximum Series Resistance(See Note 3) | 90 | Ohms | ||||||
| Frequency Stability at +25°C (See Note 2) | 10 | 100 | ppm | |||||
| Frequency Stability Over Temperature | 10 | 100 | ppm | |||||
| Operating Temperature Range (See Note 2) | -20 to 70 | °C | ||||||
| Storage Temperature Range | -40 to 85 | °C | ||||||
| Drive Level | 100uW | uW | ||||||
| Shunt Capacitance | 7.0 | pF | ||||||
| Motional Capacitance | Customer Specified | |||||||
| Load Capacitance |
18 (Customer Specified) |
pF | ||||||
| Aging per year | +2 | ppm | ||||||
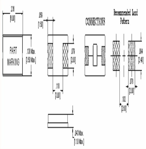
C6系列陶瓷晶振,6035mm兩腳無源晶振,美國PDI貼片晶體 尺寸圖
C6系列陶瓷晶振,6035mm兩腳無源晶振,美國PDI貼片晶體
產品特性:
C6的成本很低
小尺寸陶瓷晶振
用于緊身板應用。



西鐵城晶振,32.768K,CM200C晶振,CM200C32768DZCT晶振
TXC晶振,貼片晶振,7A晶振
TXC晶振,貼片晶振,7M晶振
TXC晶振,貼片晶振,7R晶振
TXC晶振,貼片晶振,8Q晶振,8Q37420001晶振
無源晶體,石英晶振,ENN002-17007晶振,NAKA納卡晶體
C32石英諧振器,CORE科爾晶振,無源貼片晶體,進口無源晶振
49貼片晶振,GSX49-3晶體,Golledge諧振器,進口石英晶振,GSX49-3/351DF-25MHz晶體


