在工業自動化與智能設備飛速發展的今天,看似微小的電子元件往往是決定設備性能的關鍵.丹麥格耶Geyer晶振品牌旗下的KX-20型號歐美晶振,便是這樣一款支撐起精密科技的核心元件,以其卓越的性能與穩定的品質,成為工業領域不可或缺的“心臟”.
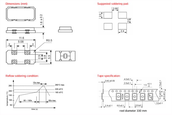
KX-20晶振的價值,首先體現在其精準到毫米的參數設計中.它采用11.6×5.5×1.6毫米的緊湊封裝,4焊盤引腳布局既節省電路板空間,又能確保信號傳輸的穩定性;20MHz的固定頻率、20PF的負載電容與20PP的頻率偏差,讓每一次信號震蕩都精準無誤.
更值得稱道的是其出色的環境適應性,-40℃至+85℃的寬溫范圍,搭配MSL等級1的濕度防護,即便在工業車間的復雜環境中,也能保持穩定運行.這種對細節的極致追求,正是精密元件的核心價值所在.
從應用場景來看,KX-20晶振更是工業科技的“隱形支柱”.在嵌入式網絡設備中,它穩定的頻率信號確保數據傳輸的精準同步;在測試和測量儀器里,其微小的頻率偏差為實驗數據提供可靠保障.工業生產對設備穩定性的要求極高,一個元件的故障可能導致整條生產線停滯,而KX-20陶瓷晶振以-20℃至+70℃標準溫域下的超低誤差,以及-40℃至+105℃擴展溫域的可靠性能,為工業設備的穩定運行筑起堅實防線.正如丹麥格耶品牌對品質的堅守,KX-20晶振用實力證明,微小元件也能承載起工業科技的大未來.
回望科技發展歷程,每一項重大突破都離不開基礎元件的進步.GEYERKX-20晶振雖體積小巧,卻以精準、穩定、耐用的特性,成為工業應用、智能設備領域的重要支撐.貼片晶振它不僅是丹麥制造工藝的縮影,更彰顯了“細節決定成敗”的科技真理.在追求高精度、高可靠性的工業時代,KX-20晶振這樣的精密元件,必將繼續為科技進步注入源源不斷的動力.


TXC晶振,貼片晶振,7M晶振
TXC晶振,貼片晶振,7S晶振
TXC晶振,貼片晶振,7A晶振
微晶晶振,32.768K晶振,CM9V-T1A壓電石英晶體


